欢迎来到中国危化品物流网!
www.hcls.org.cn
登录
注册
首页
分会组织
分会简介
分会规章
专家委员会
会员服务
标准制定
机构设置
分会专区
资讯
行业动态
图片新闻
分会动态
会员动态
国际新闻
案例追踪
政策/声音
政策
声音
供求信息
仓储设备供求
运输设备供求
车源信息
货源信息
视点
热点专题
大咖视点
精彩视频
知识库
危化百科
标准
标准动态
数据
CCPMI
运价指数
危化数据
价格走向
会展
行业展会
从业人员信用平台
中国化工仓储云图
你的位置:
首页
>
资讯中心
>
行业动态
> 阅读正文
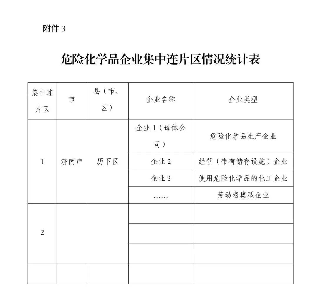
山东加强全省危险化学品企业集中连片区安全风险防控工作
2023-11-03 【
打印
】
【关闭】
【
大
中
小
】
山东省安委办关于加强全省危险化学品企业集中连片区安全风险防控工作的通知
(来源:铸安,如有侵权请告知删除)
推荐文章
·
安徽:国道206合肥至安庆段2015年底通车
·
汕头:汕(头)揭(阳)高速力争年底全线通车
·
贵州首条低碳高速道真至瓮安高速明年底建成
·
云南:呈澄高速完成投资6.7亿 预计2015
·
贵州高速公路完成投资466.85亿 确保三年
·
山西吉县至河津高速预计明年底投入使用
热点文章
·
贵州高速公路完成投资466.85亿 确保三年
·
我国将建设物流大通道 力促国际道路运输互联互
·
重庆黔恩高速明年底通车 主城4个多小时到恩施
·
化工涨势难为继 能源八月仍“多云”
·
重庆再添两条出省通道 南道、渝广高速后年通车
·
广东高速公路投资上半年完成291亿 下半年还
关于我们
联系我们
法律声明
中国危化品物流网 版权所有
京ICP 备 18049118 号
京公网安备 110105003541